HXGN-12箱型交流金属封闭开关设备
一、适合用范围
HXGNO-12 (F.R)箱式固定交流金属封闭开关设备(简称 “环网柜”),是为城市电网改造建设需要而设计的新型开关设备。 在供电系统中亦作为开断负荷电流和短路电流及关合皿电流之用, 适用于交流3-10KV、50Hz的配电系统中.广泛地用于城市电网建设 和改造工程、工矿企业、高层建筑和公共设施等,作为环网供电单元 和终端设备,起着电能的分配、控制和电气设备的保护作用,也可装 在预装变电站中。本环网柜配用真空负荷开关,弹簧操动机构,该机构 既可手动操作,也可电动操作。接地开关和隔离开关配用手力操动机构, 本环网柜成套性强、体积小。无燃烧和爆炸危险,具有可靠的“五防” 功能。本环网柜符合GB3960《3~35KV交流金属开关设备》、IEC60420 《高压交流负荷开关-熔断器组合电器》标准的有关规定。
二、型号及其含义
HXGN□-12(F.R)
H:环网
X:箱型
G:固定式
N:户内
□:设计序号
12:额定电压
(F.R):负荷开关 - 熔断器组合
三、正常使用条件
1.周围空气温度:-15。0+40℃;
2.海拔高度:1000m及以下;
3.湿度条件:日平均值不大于95%,水蒸气压力日平均值不超过2.2kPa, 月平均值不大于90%,水蒸气压力月平均值不超过L 8kPa;
4.地震烈度:不超过8度;
5.没有腐蚀性或可燃性气体等明显污染的场所。
注:超出上述正常使用条件时,用户可与本公司协商。
四、主要技术参数
序号 | 名称 | 单位 | 数据 | |
1 | 额定电压 | KV | 12 | |
2 | 额定电流 | 负荷开关柜 | A | 630 |
组合开关柜 | 125 | |||
3 | 额定短路开断电流 | KA | 31.5 | |
4 | 额定有功负载开断电流 | A | 630 | |
5 | 额定短时耐受电流 | KA | 20 | |
6 | 额定峰值耐受电流 | KA | 50 | |
7 | 额定工频耐受电压相间、对地/断口 | KV | 42/48 | |
8 | 雷电冲击耐受电压相间、对地/断口 | KV | 75/85 | |
9 | 机械寿命 | 次 | 10000 | |
10 | 额定交接电流(组合电器) | A | 3150 | |
11 | 操作方式 | 手动或电动 | ||
12 | 防护等级 | IP3X | ||
五、结构特点(如图2、图3)
1.结构性能特点
1.1.1环网柜内采用8MF型材,全构架安装模数孔B=2(tan.
L1.2环网柜内配FZN21-12D型负荷开关或FZRN21-12D型熔断器组合电器,该型电器带有隔离开关、真空负荷开关、接地开关, 且隔离开关及接地开关均有明显断口.
1,3隔离开关、真空负荷开关、接地开关、柜门具有完善可靠地掘嬲动、联锁装置,能有效防止误操作,并确保安全维护.
1.1.4可手动、电动操作。
1.L 5计量柜的柜门、仪表门设有封签销子。
1.1.6熔断器组合电器柜、溶管带有撞针。短路情况下,撞针撞击跳闸机构,实现快速开断,能有效保护电器设备。
1.L 7环网柜采用正面操作,可靠墙安装。
2.“五防”闭锁功能
2. 2.1送电操作:只有当柜体门关闭并锁定,操作接地开关到“打开”位置,才能操作负荷开关合闸位置.
2.2.2停电操作:当负荷开关处于隔离位置,才能关合接地开关,接地开关处合闸位置时,插入绝缘隔板到位,才能打开柜门。
2.1. 3真空灭弧室与隔离刀有可靠地联锁,而隔离刀与接地刀互为联动,并与柜门联锁,绝缘隔板与柜门也有联锁。
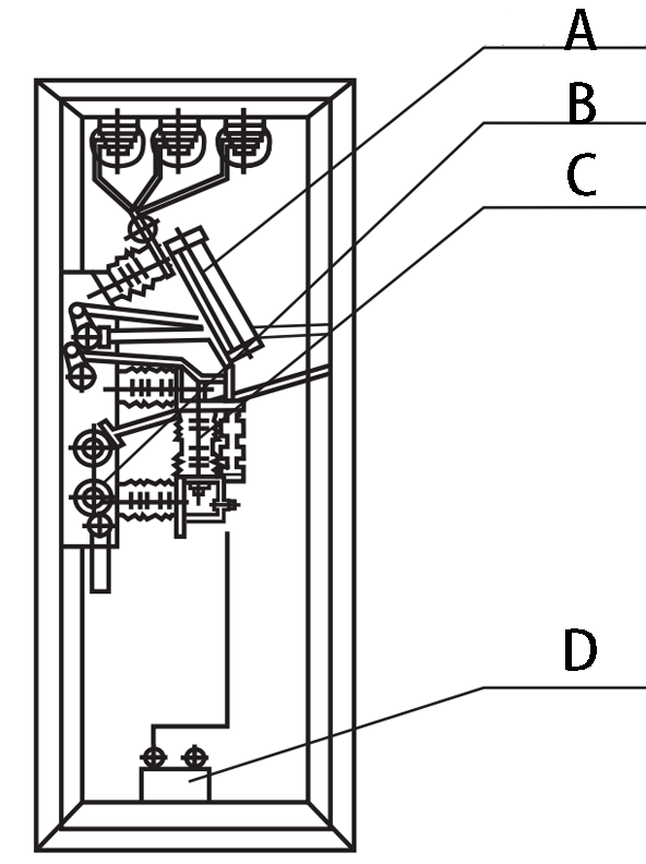
![]() | 图2 A:绝缘子 B:穿墙套管 C:操动机构 D:接地开关 |
![]() | 图3 A:熔断器(隔离刀闸) B:弹操机构 C:负荷开关 D:电流互感器 |
六、环网供电原理
环网供电一<由三个基本单元组成(见图)进出线柜作为环网单元,当任 现故障时,能及时隔离,并由另一单元保证用户变压器支路连续供电。 用户回路环网柜对变压器起着保护和隔离作用,便于维护检修。 环网柜可任意延展,并可根据用户要求由基本单元构成多种组合方案.
![]() | ||
| 电缆进出线柜 用户变压器支路柜 电缆进出线柜 |
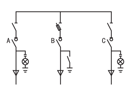
七、主电路方案图
方案号 | 01 | 02 | 03 | 04 | 05 | 06 |
主电路方案图 | ![]() | |||||
用途 | 电缆进出线 | 电缆进出线 | 电缆进出线 | 电缆进出线 | 电缆进出线 | 电缆进出线 |
隔离/负荷/组合电器 | GN□-12D | GN□-12D | GN□-12D | FZN21-12D | FZN21-12D | FZN21-12D |
熔断器 | RN3 | RN3 | ||||
电流互感器 | LZZBJ9 | LZZBJ9 | ||||
避雷器 | HY5W | |||||
方案号 | 07 | 08 | 09 | 10 | 11 | 12 |
主电路方案图 | ![]() | |||||
用途 | 电缆进出线 | 电缆进出线 | 电缆进出线 | 电缆进出线 | 电缆进出线 | 电缆进出线 |
隔离/负荷/组合电器 | FZN21-12D | FZN21-12D | FZN21-12D | FZN21-12D | FZN21-12D | GN□-12D |
熔断器 | RN2 | RN2 | RN2 | |||
电流互感器 | LZZBJ9 | LZZBJ9 | LZZBJ9 | LZZBJ9 | ||
电压互感器 | JDZ | JDZ | JDZ | |||
避雷器 | HY5W | HY5W | HY5W | |||
方案号 | 13 | 14 | 15 | 16 | 17 | 18 |
主电路方案图 | ![]() | |||||
用途 | 计量电缆进出线 | 电缆进出线 | 电缆进出线 | 电缆进出线 | 计量电缆进出线 | 架空进线电缆出线 |
隔离/负荷/组合电器 | FZRN21-12 | FZRN21-12D | FZRN21-12D | FZRN21-12D | GN□-12D | |
熔断器 | RN2 | S□LAJ | S□LAJ | S□LAJ | RN2 | RN3 |
电流互感器 | LZZBJ9 | LZZBJ9 | LZZBJ9 | LZZBJ9 | ||
电压互感器 | JDZ | JDZ | ||||
方案号 | 19 | 20 | 21 | 22 | 23 | 24 |
主电路方案图 | ![]() | |||||
用途 | 架空进线电缆出线 | 架空进线电缆出线 | 架空进线电缆出线 | 架空进线电缆出线 | 架空进线电缆出线 | 架空进线电缆出线 |
隔离/负荷/组合电器 | FZRN21-12D | FZRN21-12D | FZRN21-12D | FZRN21-12D | FZRN21-12D | FZRN21-12D |
熔断器 | S□LAJ | S□LAJ | S□LAJ | S□LAJ | ||
电流互感器 | LZZBJ9 | LZZBJ9 | LZZBJ9 | LZZBJ9 | ||
电压互感器 | ||||||
方案号 | 25 | 26 | 27 | 28 | 29 | 30 |
主电路方案图 | ![]() | |||||
用途 | 联络 | 联络 | 计量兼联络 | 计量兼联络 | 架空进线联络 | 架空进线联络 |
隔离/负荷/组合电器 | FZRN21-12 | FZRN21-12D | FZRN21-12D | FZRN21-12 | ||
熔断器 | S□LAJ | RN2 | RN2 | S□LAJ | ||
电流互感器 | LZZBJ9 | LZZBJ9 | ||||
电压互感器 | JDZ | JDZ | ||||
八、外形及安装尺寸
1.环网柜外形尺寸
![]() | ![]() | 柜体宽度方向 |
| 说明:高度可自选 | 柜体深度方向 |
2.环网柜安装尺寸
![]() |
| 说明:槽钢应可靠接地 |